
Металлография - это исследования, направленные на изучение структуры металлов и сплавов для оценки свойств материалов.
В нормальных условиях металлы обладают упорядоченной кристаллической решеткой, характеризующейся строго периодическим расположением атомов в пространстве. Эта атомная структура сохраняет свою симметрию на значительных участках материала, и образует кристаллы, но чаще всего их называют зерном. Зерна между собой отличаются ориентацией (наклоном) этой решетки, размером, формой, наличием различных выделений внутри и по границам зерен – всё это определяет весь спектр свойств материала, от механических до физических.


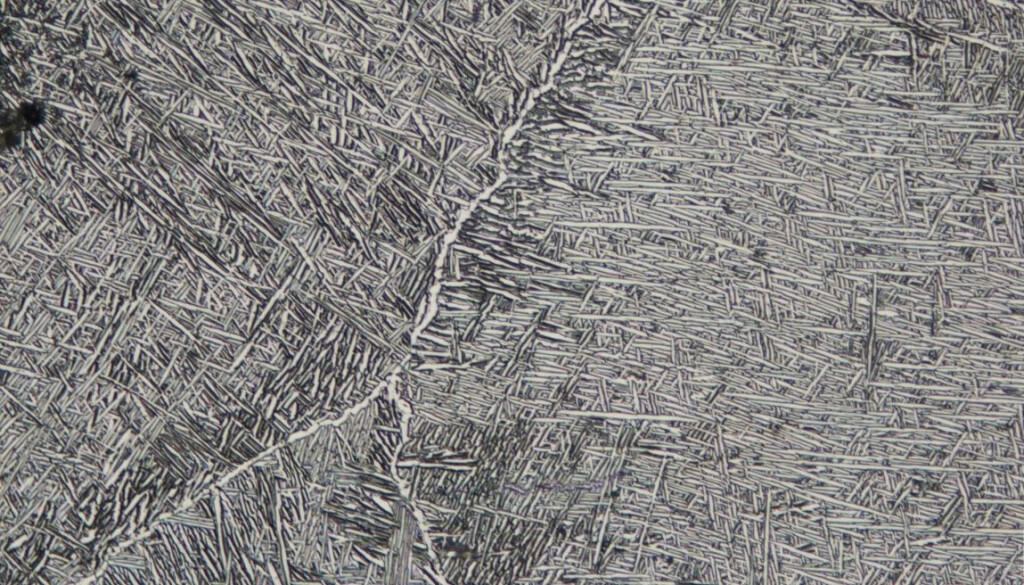
Кристаллическая решетка железа при комнатной температуре – феррит.
Для изучения микроструктуры металла необходимо подготовить микрошлиф – это отполированный образец металла. На этом этапе шлиф уже можно исследовать на наличие неметаллических включений при помощи микроскопа. Они определяют степень «загрязненности» металла.

Неметаллические включения в стали
Для проявки зерна микрошлиф подвергают травлению – обработкой кислотами. Данная технология основана на разной стойкости зерна и межзеренных границ к воздействию кислот. Следствие травления на поверхности микрошлифа образуется рельеф. Зерно отражает свет в объектив, и мы видим его светлым на изображении, а неровная граница – в сторону, и мы видим ее темной на изображении.



При исследовании микроструктуры металлов мы применяем современные металлографические микроскопы с увеличениями 50–1000 крат.
Металлографический микроанализ позволяет исследовать следующие ключевые аспекты структуры металлов и сплавов:
• Оценка формы и размеров зерна, наличие выделений различных фаз;
• Определение дефектов – трещины, полости, оплавления границ, неметаллические включения и т.д.;
• Определение связи «структура – свойства».
Для исследования более грубых структур, после травления шлиф рассматривается при помощи лупы или невооруженным глазом.
Макроанализ – это способ выявления в металле трещин, несплошностей: газовых пузырей, усадочной рыхлоты, раковин, шлаковых включений, дендритного строения, структурных неоднородностей, расположения волокон в поковках и штамповках, ликвации серы и фосфора, качества сварного соединения.


Макроструктура насосно-компрессорной трубы
Макроструктура может быть исследована непосредственно на поверхности заготовки или детали, в изломе или на вырезанном образце.
Введите ваше Имя и Фамилию:
Отправитьили
Войдите, чтобы оставить комментарий